📩 Mail Gönder

Teknik çizim

product

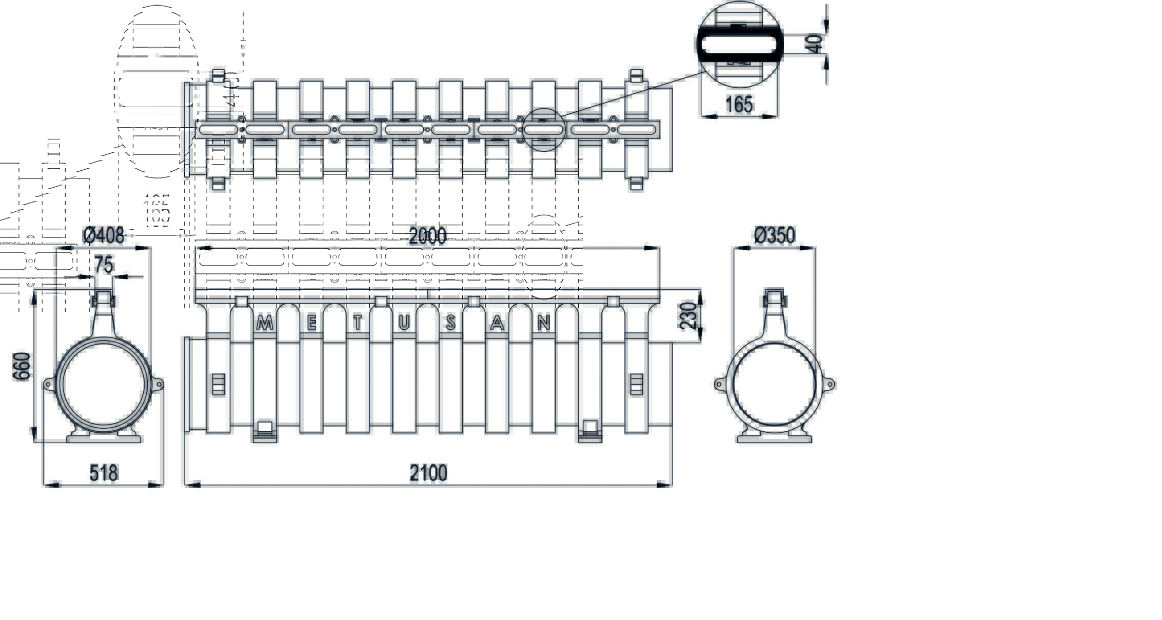
Metustar 1000

Yerli Üretim

Stok Kodu: MMS-1000

Drainage of very large hard-surfaced areas such as airports, city squares, and large shopping mall car parks requires rapid control of high amounts of rainwater. Drainage grates can be stolen for any reason, break and require maintenance and repair.
The reliable design of the Metustar Slot Drain systems allows the drainage of large amounts of rainwater in the required load carrying class and without the use of drainage grates.
Its installation is fast and easy (Each unit is shipped as a single piece, fully assembled)
- It is safe and the risk of foreign matter escaping is minimized.
- It is resistant to impact and corrosion.
- Provides a clean and aesthetic appearance It cleans itself, requires little maintenance.

Only the metal or composite upper grille part of the Metustar Slot Drain system remains on the surface and exposed. Upper grid part is galvanized or stainless steel, Ductile iron (Ductile casting) or high strength composite. Other parts of the system are embedded in concrete and provide strength equivalent to the load carrying and endurance properties of the concrete it is in. Thus, it is ideal for airports, parking lots with heavy traffic, Container termainals, quays, warehouses, truck and railway logistics centers.
Documents:

PDF
CodeDescriptionLength (mm)Width Overall (mm)Depth Overall (mm)Weight (kg)
MMS-1000-DISMetustar 1000 channel assembly ductile iron edge rail single slot2000Ø408-51866029,7
MMS - 1000 - DIDMetustar 1000 channel assembly ductile iron edge rail double slot2000Ø408-51866030,7
MMS - 1000 - DITMetustar 1000 channel assembly ductile iron edge rail three slot2000Ø408-51866030,7
MMS - 1000 - GSHMetustar 1000 channel assembly galvanised steel edge rail2000Ø408-51866029,7
MMS - 1000 - GSSMetustar 1000 Drenaj sistemi, galvaniz sac fuga ?zgara ile birlikte2000Ø408-51875228,7
MMS - 1000 - ECMetustar 1000 end cap113Ø520-1,9

Emergency Support

If you have urgent questions, you can call us immediately.